|
Артикул: СН-Т-18 Производитель: Каскад Гарантия: 1 год
|
|
| |
|
Ваша цена: 174710 руб.в т.ч. НДС 22% |
| |
|
Напишите нам на почту: sale@kratonkuban.ru |
Обновление цен 24/02/2026 г. | |
| Бесплатная доставка по Краснодару и пригороду, до терминала транспортной компании, доставим по краю и ЮФО/СКФО платная. Подробнее нажмите здесь |
Звонок или WhatsApp:
| |
| ||
ТЕХНИЧЕСКИЕ ХАРАКТЕРИСТИКИ
Модель стабилизатора
СН-Т-18
Номинальная мощность, кВА (ток фазы, А)
18,0 (27)
Активная мощность, кВт
18
Диапазон входного напряжения при выходном 220±5%, В
-
Диапазон входного напряжения при выходном 220±10%, В
158-291
Диапазон входного напряжения при выходном 220-20%, В
140
Диапазон входного напряжения при выходном 220±2,5%, В
172-271
Тип стабилизатора
электронный
Номинальная мощность, кВА
18
Количество фаз
трехфазный
Температура эксплуатации, °С
от +40 до -25
Точность коррекции*, %
+/- 2,5
Способ установки
напольный, настенный
Байпас
есть
Способ подключения
клеммные колодки
Способ охлаждения
естественный
Сопротивление изоляции, не менее, МОм
2
Характеристика срабатывания токовой защиты (тепловая)
тип С
Верхний порог напряжения отключения/включения нагрузки, В
242/239
Нижний порог напряжения отключения/включения нагрузки, В
176/198
Нижний порог напряжения включения нагрузки при работе в режиме "ПРЯМОЕ ВКЛЮЧЕНИЕ", не менее, В
170
Защита от короткого замыкания
Iнагр>(4/5)Iмакс (тип В)
Сечение проводов для подключения блока, мм2
4
Коэффициент мощности, не менее
0,98
КПД, %
97
Степень защиты
IP20
Номинальное входное напряжение, В, Гц
220/380, 50
Максимальный ток, А
27
Масса, кг
105
Габаритные размеры, мм
815х485х305 (формируется из 3 блоков 205х485х305). Расстояние между блоками должно быть не менее 100 мм. Габариты указаны с учётом расстояния.
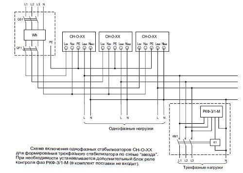
Стабилизатор электронный трехфазный Каскад СН-Т-18 - с микропроцессорным управлением предназначен для стабилизации напряжения в однофазных и трехфазных сетях 220/380 В 50 Гц (для трехфазной сети необходима установка трех стабилизаторов).
Назначение и функции стабилизатора напряжения СН-Т-18:
Стабилизатор напряжения СН-Т-18 предназначен для поддержания выходного напряжения 220В±2,5% при изменении входного в диапазоне согласно техническим характеристикам изделия.
Стабилизатор напряжения СН-Т-18 выполняет следующие дополнительные функции:
- автоматическое отключение нагрузки при выходе за установленные пороги выходного напряжения и автоматический возврат в рабочее состояние после нормализации напряжения;
- защита стабилизатора от перегрузки и от короткого замыкания в нагрузке;
- работа в режиме «ПРЯМОЕ ВКЛЮЧЕНИЕ»;
- защита от импульсных помех по входу и выходу стабилизатора (класс III);
- индикация режимов работы.
Режим работы стабилизатора - продолжительный, независимо от режимов работы нагрузки. Допускается работа стабилизатора от бензо-дизельгенераторных установок.
Описание изделия СН-Т-18:
Изделие выполнено в виде блока, который может быть установлен на полу или закреплен на стене при помощи специальных кронштейнов (поставляются по заказу).
Для однофазной сети используется один стабилизатор, для трехфазной сети необходимо три стабилизатора, включенных по схеме «звезда».
На передней панели стабилизатора находятся:
- цифровой индикатор «КОНТРОЛЬ / ЗАЩИТА» для визуального контроля параметров сети и нагрузки и для индикации включения защиты по температуре, напряжению и току;
- переключатель режимов работы стабилизатора « - » - «О» - « - »; где « - » - включение стабилизатора - «О» - отключение нагрузки; « - » - прямое включение;
- кнопки для выбора измеряемого параметра: «U вх», «Uвых», «Iнагр», «Рнагр».
Подключение блока осуществляется через клеммные колодки, находящиеся под верхней крышкой.
Вам может быть интересно

Количество

















